模拟CMOS集成电路设计 从拉扎维经典到现代电子版学习指南
基于196系列单片机在空调逆变器中的智能控制与集成电路设计
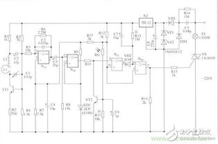
555集成电路作定时器的应用设计
集成电路设计入门与技术要点解析
我区科技创新再添新翼 两家集成电路设计企业荣登潜在瞪羚榜单
康佳芯云高效落地,康佳“造芯”进入关键阶段
竞逐绿色低碳发展新赛道 绘就里下河水乡现代化图景——以集成电路设计为引擎驱动水乡产业升级
全球集成电路与设备产业短期复苏艰难,集成电路设计面临结构性挑战
M6101六级能效电源IC 集成电路设计的关键跃迁
工业软件专题报告 EDA,国产崛起正当时——集成电路设计的基石与自主化之路
集成电路设计企业荣誉 技术创新的璀璨勋章与产业发展的核心引擎
梦想与现实的碰撞 一位211毕业生的上海芯片设计之路
国产存储新突破 紫光发布单条4GB自主DDR4内存,开启集成电路设计新篇章
半导体三国演义 中国兴起、日本沉浮与集成电路设计新纪元
新手必备 十大常见照明电路设计齐分享
三位数字显示电容测试表电路设计详解
集成了ARM Cortex-M0内核微处理器的电容式触摸感应芯片的集成电路设计
炬芯科技上市首日暴涨93.11%,资本市场喝彩背后隐现独立性隐忧
SJ-11A 139集成电路时间继电器的主要用途及工作原理 —— 上海上继科技集成电路设计
集成电路封装设计可靠性提高方法研究
如若转载,请注明出处:http://www.datiantongchen.com/product/list-2.html